Mikroskopie
Untersuchung von Proben

Die Mikroskopie wird zur Prüfung von Proben mittels Vergrößerung verwendet, um dadurch kleinste Merkmale besser erkennen zu können. Dies steht im Gegensatz zur Makroskopie, bei der eine Probe mit dem bloßen Auge untersucht wird.
Die optische Mikroskopie wird zur Untersuchung bei Vergrößerungen von bis zu 1.000 Mal Mikrostrukturen eingesetzt. Mit der Elektronenmikroskopie können Vergrößerungen von bis zu 500.000x erreicht werden. Sie wird üblicherweise für die Fehleranalyse verwendet, kommt aber auch in F&E-Labors und Lehranstalten zum Einsatz.
Formen der Mikroskopie
Bei der materialographischen Prüfung kommen vier Formen der Mikroskopie zum Einsatz, je nachdem, welches Werkstück für welchen Zweck untersucht werden soll. Diese sind nachstehend kurz erläutert.
Lichtmikroskopie
Bei der Lichtmikroskopie werden entsprechend den Eigenschaften des Werkstoffs verschiedene Filter zur Verbesserung des Kontrasts und zum Hervorheben bestimmter Merkmale verwendet. Hierbei werden Vergrößerungen im Bereich von üblicherweise 2,5x bis 1.000x genutzt. In der Materialographie werden Proben in der Regel im Auflicht untersucht, mineralogischer Proben hingegen im Durchlicht.
Stereomikroskopie
Das Stereomikroskop ist ein Lichtmikroskop für die Betrachtung von Proben mit geringer Vergrößerung in dem von der Oberfläche der Probe reflektierten Licht.
Rasterelektronenmikroskopie
Das Rasterelektronenmikroskop (REM) ist ein Elektronenmikroskop, mit dem Abbildungen einer Probe durch Abtasten der Probenoberfläche mit einem fokussierten Elektronenstrahl erstellt werden. Die Wechselwirkungen zwischen den Atomen der Probe und den Elektronen erzeugen Signale, die in Informationen über die Oberflächentopographie und Zusammensetzung der Probe umgewandelt werden.
Transmissionselektronenmikroskopie
Bei der Transmissionselektronenmikroskopie (TEM) wird ein Elektronenstrahl durch eine ultradünne Probe gesendet, wobei die Elektronen im Strahlengang mit der Probe in Wechselwirkung treten. Die erzeugten Signale werden in Informationen über unter anderem die Art und Ausrichtung einzelner Kristalle umgewandelt.
Lichtmikroskopie in der Praxis

1. Präparation der Probe
Die Lichtverhältnisse bei der Untersuchung in Durchlicht bzw. Auflicht werden durch den Zustand der Oberfläche bestimmt. Akzeptable Werte sind durch Art und Größe des zu untersuchenden Merkmals vorgegeben.
Die erforderliche Oberflächenqualität und der notwendige Kontrast können nur durch die korrekte Probenpräparation erzielt werden.

2. Lichtquelle
Das Abbild der Oberfläche ist das Ergebnis der Wechselwirkungen zwischen Licht und Oberfläche. Mit Lichtquellen, wie LED-, Halogen- oder Quecksilberdampflampen, kann zusammen mit unterschiedlichen Beleuchtungsarten, wie koaxialem Licht, Ringlicht oder Punktlicht, eine breite Auswahl an Oberflächen auf Merkmale, wie beispielsweise Rauheit, Farbe und Ausrichtung, untersucht werden.
Bei der Untersuchung komplexer Topographien ist eine korrekte Beleuchtung unabdingbar.
3. Filter
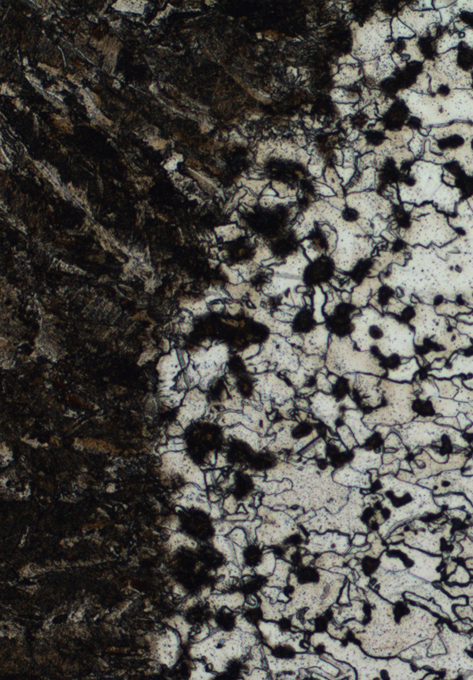
Die gängigste Mikroskopiertechnik ist die Hellfeldmikroskopie (HF), bei der Einzelheiten nur anhand ihres unterschiedlichen Reflexionsvermögens dargestellt werden.
Kontrasttechniken wie DarkField (DF), Differential Interference Contrast (DIC) und Polarized Light (POL) ermöglichen es, Details zu beobachten, die sich von denen in der BF unterscheiden.
Die Auswahl der Filter in der optischen Mikroskopie hängt von der Beschaffenheit der Oberfläche sowie den zu untersuchenden Eigenschaften und Details ab.

Dunkelfeldmikroskopie – Kunststoffschichten
Die unterschiedlichen Farben von Kunststoffschichten sind im Dunkelfeldmikroskop klar erkennbar.

Dunkelfeldmikroskopie – Polierqualität
Feinste Kratzer, Poren und Ausbrüche lassen sich mit der DF-Technik besser erkennen als mit der HF-Technik. Unregelmäßigkeiten, wie Poren oder Risse, reflektieren das Licht zurück zur Linse, glatt polierte Bereiche bleiben dunkel. Diese Technik eignet sich insbesondere zur einfachen Unterscheidung von Poren und Einschlüssen, dem Verlauf sehr feiner Risse und der Beurteilung der Polierqualität.

Dunkelfeldmikroskopie – halbdurchlässige Phasen

Polarisiertes Licht.
Verwendungszweck:
- Kontrastdarstellung der Struktur optisch anisotroper Metalle, die sich nur schwer ätzen lassen, wie bestimmte Titan- und Zinnlegierungen, Beryllium oder Uran
- Identifizierung zahlreicher intermetallischer Verbindungen und Schlackeeinschlüsse anhand ihrer charakteristischen anisotropen Effekte
- Differenzierung von optisch anisotropen und isotropen Phasen
- Untersuchung optisch isotroper Metalle, falls deren Oberfläche durch Ätzen (beispielsweise Eloxieren) optisch aktiv gemacht werden kann

Differenzieller Interferenzkontrast
Mittels der DIC-Mikroskopie wird ein Reliefkontrast erstellt, in dem beispielsweise spezielle intermetallische Phasen anhand ihrer Morphologie erkannt werden können.

Fluoreszenz
4. Bilderfassung
Zusätzlich zu den obigen Ausführungen ist zu beachten, dass die Erkennung des wahren Gefüges auch von Faktoren abhängt, die während der eigentlichen Bilderfassung maßgeblich sind. Hierzu gehören insbesondere die Belichtung und der Weißabgleich.



